Lehmweg Hamburg

Sanierung einer Massivdecke

Lehmweg 31 in 20251 Hamburg
Bearbeitungszeitraum: 2016
Leistungen: Bauaufnahme, Objektplanung (alle Leistungsphasen), Tragwerksplanung (alle Leistungsphasen), Bauüberwachung

Bei dem Gebäude handelt es sich um ein fünfgeschossiges Mehrfamilienwohngebäude der Gebäudeklasse 5, welches vermutlich zu Beginn des letzten Jahrhunderts errichtet wurde.

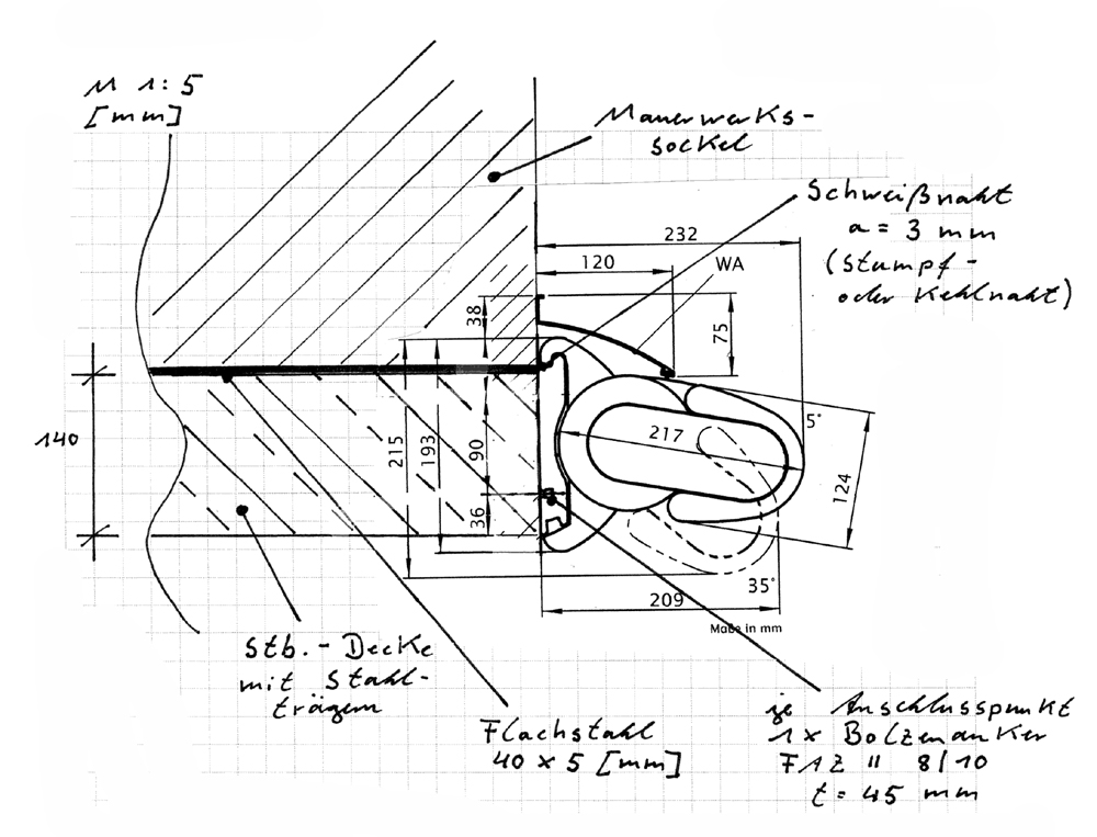
Während mehrerer Ortstermine wurde festgestellt, dass Teile der Gesims- und Deckenkonstruktionen des erdgeschossigen Vorbaus aufgrund einer Leckage durch Feuchte geschädigt und abgängig sind. Die Decke über dem Erdgeschoss war in diesem Bereich als Stahlsteindecke ausgebildet. Die betroffenen Bauteile wurden zurückgebaut und durch eine neue massive Deckenkonstruktion mit Dämmung und Abdichtungsebene ersetzt. Außerdem wurde eine neue Geländerkonstruktion für die Dachterrasse im Obergeschoss eingebaut.